SF-G Series (Discontinued)
Open Loop HVAC AC Drive
Shihlin SF-G series AC drive is one of the most reliable AC motor drive with high-performance sensorless vector control and cost-effective energy saving functions. With a robust design and environmental adaptability like built-in DC reactor, SF-G series are commonly designed for applications such as air blowers, fan and pump, ventilation, cooling systems and heavy duty machine tools.
Specification
- Motor Capacity: 5.5KW (7.5HP) to 355KW (475HP)
- Dual Rating Design: HD 150% 60s / ND: 120% 60s
- Built-In Advanced PID Control.
- Multi-Channel Control Function for Fan And Pump.
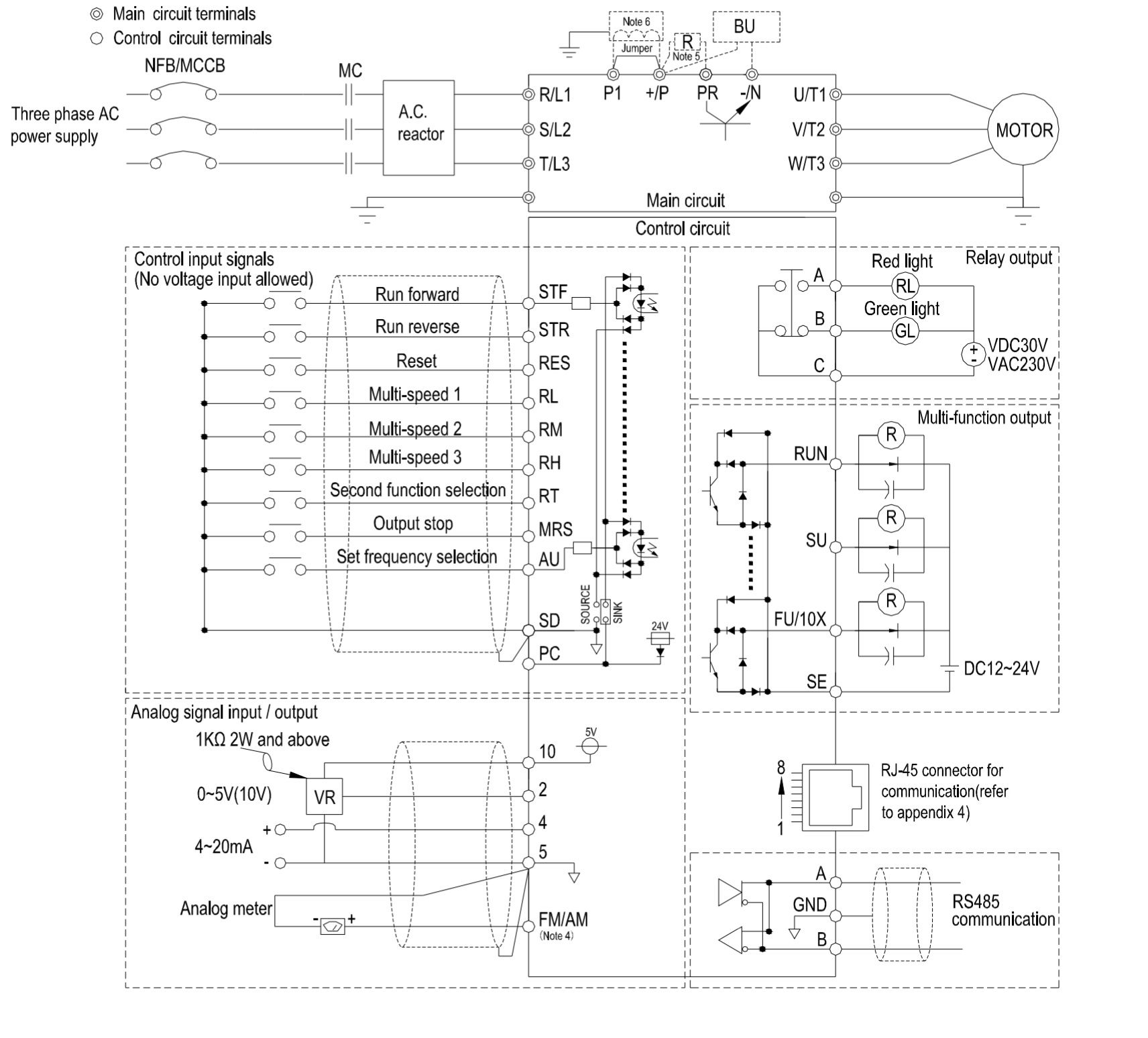
- Build-in RS485, Support MODBUS and Shihlin Protocol.
- 2 Analog Setting Types: 0 - 10V and 4 - 20mA
- Multi-function pulse output.
- Remote control keypad through RJ45.
- Various expansion boards for specific applications.

Power Range

Applications
- Fan and pump, Chilling system, Cranes, Air compressors, Polishing machines, Packaging machines, Injection machine, Extruder.
- Files Download
- Video
How can you reduce energy consumption while maintaining precise motor control for fan and pump applications?
The SF-G Series AC motor drive delivers sensorless vector control with specialized multi-channel control functions designed specifically for fan and pump operations. With advanced energy-saving capabilities and robust environmental adaptability, manufacturers can optimize operational efficiency while reducing electricity costs. Our 60+ years of OEM/ODM expertise ensures your equipment integrates seamlessly into production lines with lasting technical support.
Engineered with professional-grade communication capabilities, the SF-G Series includes built-in RS485 connectivity supporting MODBUS and Shihlin protocols, enabling seamless integration into automated factory systems. The drive supports dual analog setting types (0-10V and 4-20mA), multi-function pulse output, and remote control via RJ45 keypad, providing flexibility for complex industrial automation requirements. With expansion board options for specific applications, Shihlin Electric's SF-G Series combines Japanese assembly techniques with high-stability components to deliver the precision motor control and operational efficiency that manufacturers demand. Contact our technical support team to discover how the SF-G Series can optimize your production processes and reduce energy consumption.




