SL3 Series
Mini AC Drive
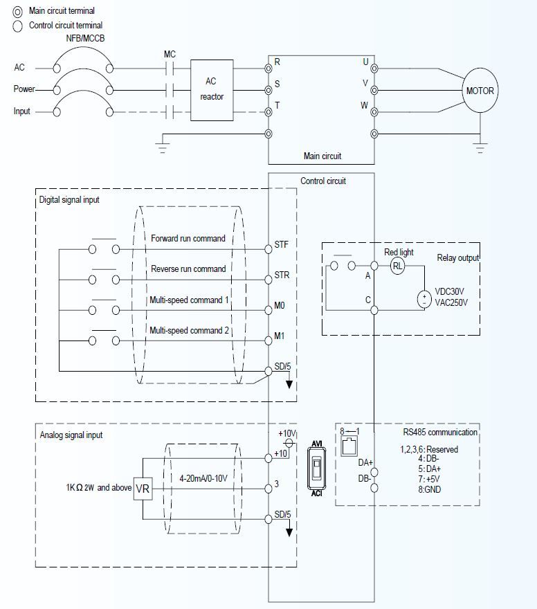
Simple AC drive Shihlin SL3 series, small in size, with built-in RFI filter, PID feedback control, excellent current detection, overload protection and supports external keypad.
Specification
- Simple design with potentiometer.
- Built-in RFI Filter.
- Built-In Pid Feedback Control.
- Dual RS485 communication interface.
- DIN-rail Mounting.
- 12 sets of alarm record with 2 sets of detailed record.
Power Range
- Files Download
-
- Related Products
- Video
How can you integrate a compact AC drive with advanced feedback control into your automation equipment without consuming excessive cabinet space?
The Shihlin Electric SL3 Series solves this challenge with its DIN-rail mounting design and space-efficient compact form factor. The built-in RFI filter eliminates the need for external filtering components, while dual RS485 communication interfaces enable seamless integration into your existing factory automation networks. With integrated PID feedback control, you can achieve precise motor speed regulation and energy optimization, reducing overall system complexity and cost. Let our technical team demonstrate how the SL3 Series can streamline your equipment design and improve time-to-market.
Built on Shihlin Electric's 60+ years of OEM/ODM technical expertise, the SL3 Series combines Japanese assembly techniques with high-stability components to deliver superior product quality and precision control. The integrated PID feedback functionality enables energy-efficient motor operation by maintaining optimal performance parameters, while the 12-set alarm recording capability with 2 detailed record sets supports predictive maintenance and system diagnostics. This simple yet powerful inverter solution is engineered to maximize operational efficiency and reduce downtime for manufacturing partners and industrial automation integrators seeking reliable motion control at competitive value. Contact Shihlin Electric today to discover how the SL3 Series can enhance your factory automation and energy-saving objectives.





