SF3 Series
Advanced Open Loop AC Drive
Shihlin SF3 series AC drive is the best cost-effective energy saving options. With the same frame as Shihlin SA3 AC drive but specialized in fan and pump functions like fire mode and multi-pump driving technology, SF3 series are commonly used in applications such as air blowers, fan and pump, ventilation, cooling systems and compressor systems.
Specification
- Dual rating design, torque / position / speed control mode:
- (1) 120% for 60 seconds for Normal Duty (ND)
- (2) 150% for 60 seconds for Heavy Duty (HD)
- Support both IM and PM motor control.
- Built-in PLC function and intelligent PID control.
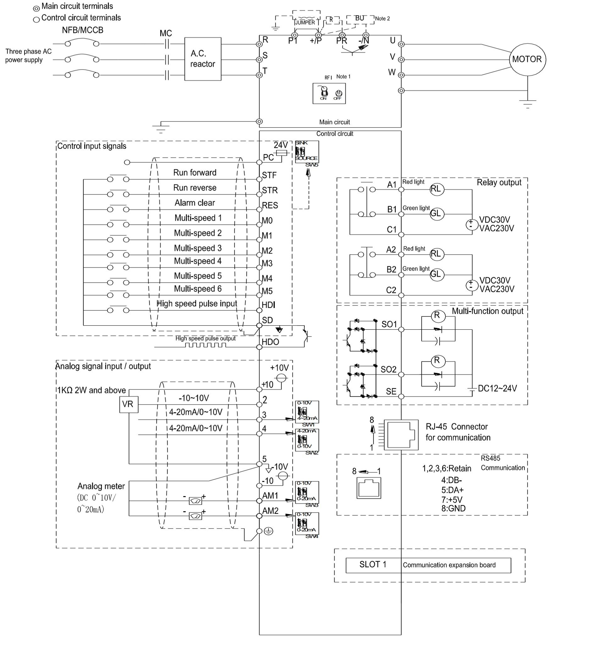
- Easy DC BUS connection.
- Multi-Channel Control Function for Fan And Pump.
- Improved environmental protection.
- Supports Various Network Protocols: MODBUS / Profibus / DeviceNet / CANopen / EtherCAT

Power Range

Applications
- Fan and pump, Chilling system, Air compressors, Polishing machines, Packaging machines.
- Files Download
-
- Related Products
-
Expansion Cards
Communication Cards, I/O Cards, PG Cards
Expansion cards can be installed on SA3, SF3 and SE3 series. Communication Cards: CP301, DN301,...
Details - Video
How can you reduce energy consumption while maintaining reliable performance across multiple fan and pump applications?
The SF3 Series is specifically engineered for fan and pump operations with multi-channel control technology and dual rating design (120% ND / 150% HD), enabling you to optimize energy efficiency without compromising reliability. Our specialized multi-pump driving technology and fire mode functionality ensure your ventilation, cooling, and compression systems operate at peak performance while significantly reducing operational costs. Contact our technical team to discover how the SF3 can enhance your manufacturing capabilities.
Engineered with Shihlin Electric's 60+ years of OEM/ODM expertise, the SF3 Series combines advanced assembly techniques with high-stability components to ensure stable and reliable performance. Its easy DC BUS connection, multi-channel control function for fan and pump operations, and support for multiple network protocols (MODBUS, Profibus, DeviceNet, CANopen, EtherCAT) make it an ideal choice for manufacturers seeking to maximize operational efficiency and reduce energy consumption. With improved environmental protection standards and comprehensive technical support from our professional services team, the SF3 Series delivers lasting value for industrial automation and motion control applications globally.







