SA3 Series
Advanced Closed Loop AC Drive
SA3 series AC drive is the best AC drive in Shihlin AC drive family. With a high-performance variable-frequency technology for both IM and PM motors, the Shihlin SA3 series AC drive supports close-loop vector control and features dual rating design, advanced 4-quadrant torque controls and modular design for fit in with a wide range of applications. It provides customers not only reliable experience but also cost-effective solution to take part in the competitive market.
Specification
- Dual Rating Design, Torque / Position / Speed Control Mode:
- (1) 120% for 60 seconds for Normal Duty (ND).
- (2) 150% for 60 seconds for Heavy Duty (HD).
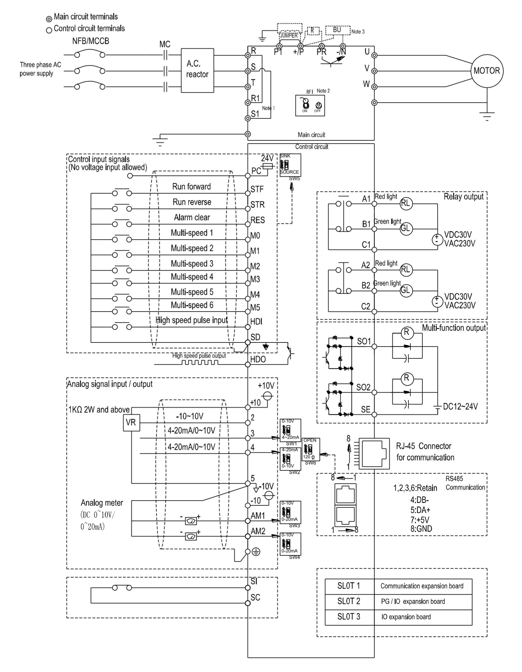
- Built-in three expansion card slots.
- Support Both IM and PM Motor Control.
- High accuracy for steady speed (< 0.02% in closed-loop).
- Outstanding 4-Quadrant Torque Control / Limit.
- Built-in PLC Function and Intelligent PID Control.
- Easy DC BUS Connection.
- Improved Environmental Protection.
- Supports Various Network Protocols: MODBUS / Profibus / DeviceNet / CANopen / EtherCAT

Power Range

Applications
- Crane, bending machine, printing machines, electroplating machines, injection machines, stamping press machine.
- Files Download
-
- Related Products
-
Expansion Cards
Communication Cards, I/O Cards, PG Cards
Expansion cards can be installed on SA3, SF3 and SE3 series. Communication Cards: CP301, DN301,...
Details - Video
How can you achieve 150% torque capacity for 60 seconds while maintaining cost-effectiveness in heavy-duty lifting and pressing operations?
The SA3 Series' innovative dual rating design delivers 150% torque for Heavy Duty applications, providing the power and reliability required for cranes, bending machines, and stamping presses. This exceptional torque capability combined with outstanding 4-quadrant torque control ensures precise load handling and positioning while maintaining competitive operational costs. Our 60+ years of OEM/ODM experience guarantees seamless integration with your existing systems.
The SA3 Series delivers both reliability and cost-effectiveness, making it an ideal choice for manufacturers seeking competitive advantage through enhanced motion control and energy efficiency. Outstanding 4-quadrant torque control and limit functions enable precise positioning and speed management essential for applications like cranes, bending machines, printing equipment, electroplating systems, injection molding machines, and stamping press operations. With over 60 years of OEM/ODM partnership experience, Shihlin Electric combines Japanese assembly techniques with high-stability components to ensure stable, long-term performance. Our professional technical support team stands ready to provide lasting customer-oriented solutions, helping you maximize operational efficiency and reduce energy consumption across your production facility. Contact our sales team today to discover how the SA3 Series can transform your industrial automation capabilities.







