SE3 Series
Closed Loop AC Drive
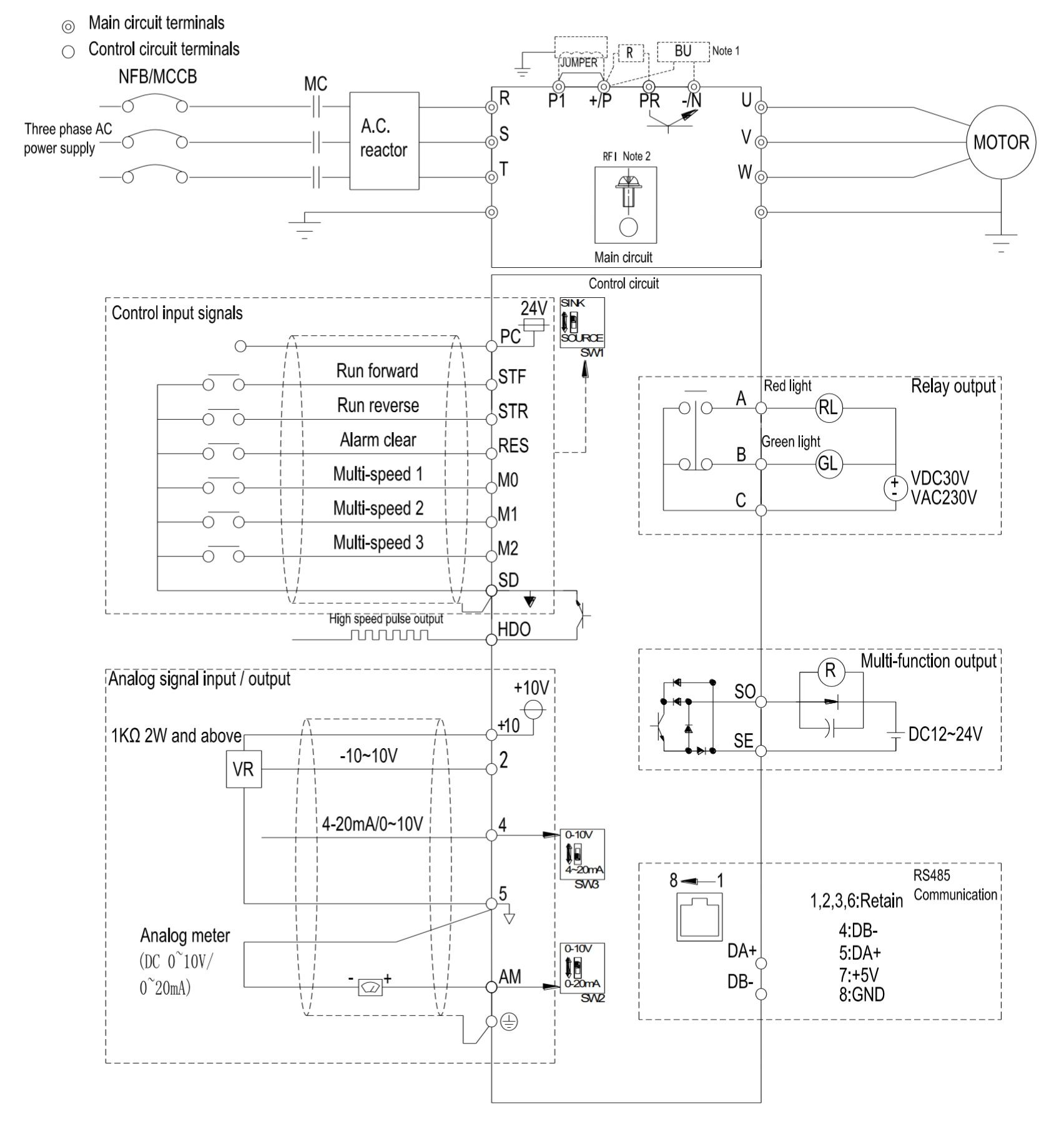
The Shihlin SE3 series AC drive is new generation high-performance type AC drive supports both IM and PM motor. With multiple control modes such as speed / torque / tension / position and excellent overload endurance, the drives are able to handle complex and large sudden load changes applications. The SE3 is a reliable solution for tooling machineries and industrial automation.
Specification
- One Expansion Card Slot for Closed-loop / Communication / Relay card.
- High Accuracy For Steady Speed (< 0.02% in closed-loop).
- Support Induction Motor (IM) and Synchronous Motor (IPM & SPM) Control.
- Control Mode: Torque / Position / Speed
- Built-in PLC Function.
- Excellent Overload Endurance and Environment Protection.
- Supports Various Communication Protocols: Modbus / Profibus / DeviceNet / CanOpen / EtherCAT

Power Range

Applications
- CNC tooling machines, air compressors, mixers, woodworking machines, packaging machines, centrifuges, injection machines.
- Files Download
-
- Related Products
-
Expansion Cards
Communication Cards, I/O Cards, PG Cards
Expansion cards can be installed on SA3, SF3 and SE3 series. Communication Cards: CP301, DN301,...
Details - Video
How can you achieve sub-0.02% speed accuracy and precise position control for high-precision CNC applications without custom engineering solutions?
The Shihlin Electric SE3 series delivers exceptional closed-loop accuracy of less than 0.02% with built-in vector control technology and multiple control modes (speed, torque, position). This enables your CNC tooling machines to achieve manufacturing precision while the integrated PLC function and excellent overload endurance handle complex load variations. Our 60+ years of OEM/ODM partnership experience ensures reliable performance for your precision applications.
The SE3 series delivers outstanding value through its support for multiple industrial communication protocols including Modbus, Profibus, DeviceNet, CanOpen, and EtherCAT, enabling seamless integration into existing factory automation ecosystems. Whether powering CNC tooling machines, air compressors, packaging equipment, woodworking machinery, injection molding systems, or centrifuges, the SE3 combines Shihlin Electric's 60+ years of OEM/ODM expertise with Japanese assembly techniques and high-stability components to maximize operational efficiency and energy savings. Contact our professional technical support team today to discover how the SE3 can optimize your manufacturing processes and enhance your competitive advantage in precision industrial automation.






