SC3 Series
Compact Vector Control AC Drive
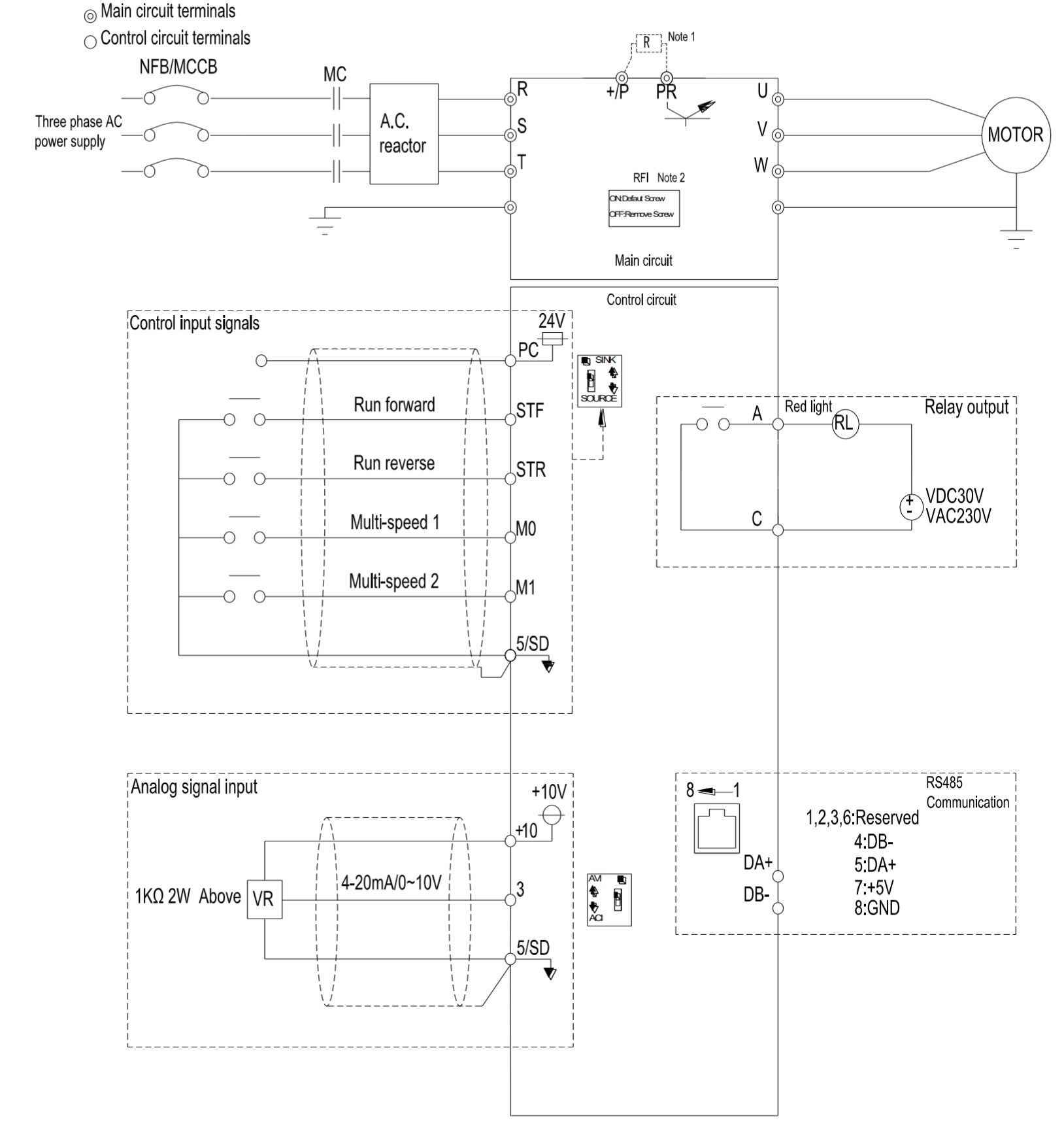
Compact and high-performance vector control Shihlin SC3 series AC drive, small in size with all the function needed like built-in RFI filter, PID feedback control, excellent current detection, overload protection and supports external keypad.
Specification
- Output Frequency: 0 ~ 599Hz
- 32 Bit CPU High Performance Vector Control.
- 5 Points Adjustable V/F Curve.
- Dual MODBUS Communication Interface (Baud rate up to 115200bps).
- Built-in RFI Filter.
- Built-In Pid Feedback Control.
- DIN-rail Mounting.

Power Range

Applications
- Conveyer belt, fan & pump, blowing machine, food processing and packaging machine.
- Files Download
-
- Related Products
- Video
How can you achieve precise motor speed control and energy efficiency in food processing and packaging machinery without complex external controllers?
The SC3 Series delivers integrated PID feedback control and excellent current detection in a compact form factor, eliminating the need for external feedback systems while ensuring stable, energy-efficient operation. With 0-599Hz output frequency range and 5-point adjustable V/F curve, you gain precise control over motor performance to match specific processing requirements, reduce energy consumption, and improve product consistency across your food processing line. Contact Shihlin Electric to discuss how the SC3 can optimize your production efficiency.
Designed specifically for OEM/ODM partners and industrial manufacturers requiring reliable motion control solutions, the SC3 Series delivers superior performance combining Shihlin Electric's 60+ years of technical expertise with Japanese assembly techniques and high-stability components. Whether controlling conveyor belt systems, fans, pumps, blowing machines, or food processing and packaging equipment, this vector control drive ensures energy-efficient operation, precise motor acceleration/deceleration, and stable performance under varying load conditions. The professional technical support team at Shihlin Electric stands ready to provide lasting customer-oriented solutions and seamless integration support, making the SC3 Series the ideal choice for manufacturers seeking to maximize operational efficiency and reduce energy consumption across their production facilities.




